Although there have been enormous efforts to make waste as harmless as possible, there are still some industries that use chemical process producing toxic chemicals and hazardous waste. This is especially true for the pharmaceutical, chemical, oil and gas industries. Our company has developed a system to treat the most concentrated hazardous gaseous, liquids and slurry organic waste from these industries.


Sense Environment Ltd. supplies environmentally-friendly waste treatment systems for a wide range of organic industrial waste. Thank to plasma technology, the waste disposal process has become fully ecological compared to current solutions on the market.
Our system converts gaseous, liquid and slurry organic waste to carbon dioxide and water vapor through a process of thermal treatment using a plasma arc.
Plasma torch technology efficiently and completely breaks apart the molecular bonds of chemical (hydrocarbon) waste and converts it into non-toxic gases.
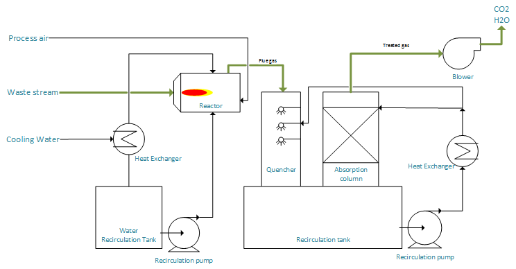
The technology of Sense Environment consists of three parts: a plasma reactor, a quench system and an absorption system. In the first step, the waste stream is treated by the plasma generated in the reactor. The temperature in the plasma torch varies in the range of 2,000 to 4,500° Celsius. It is adjusted depending on the chemical waste molecular structure. The extreme temperature and electrical instability instantaneously disintegrate the waste molecules, leaving only the constituent atoms. High temperature plasma is generated by sending an electrical charge into compressed air.

In the quench system the output gaseous mixture is rapidly cooled down. This is necessary to prevent the formation of undesired by-products such as dioxins or furans. The output models usually include water, CO2 and - in case of halogenated waste treatment - halogen acids.
The last step consists of two parts: First in the main scrubbing system, an additional cooling takes place. Also the main part of the halogen acids is absorbed by processed waters. The acid solution can be used as a separate commercial product. This step followed by an additional cleaning step of the emitted gases to make sure that the non-hazardous material that is finally emitted meets all regulatory conditions. Because that is the end of the process: What was formally hazardous waste ends up as a harmless gas, which can be exhausted into the atmosphere without any further concerns. The solution is directly integrated into the production line. There is no need to move waste or deal with waste management.

In the quench system the output gaseous mixture is rapidly cooled down. This is necessary to prevent the formation of undesired by-products such as dioxins or furans. The output models usually include water, CO2 and - in case of halogenated waste treatment - halogen acids.
The last step consists of two parts: First in the main scrubbing system, an additional cooling takes place. Also the main part of the halogen acids is absorbed by processed waters. The acid solution can be used as a separate commercial product. This step followed by an additional cleaning step of the emitted gases to make sure that the non-hazardous material that is finally emitted meets all regulatory conditions. Because that is the end of the process: What was formally hazardous waste ends up as a harmless gas, which can be exhausted into the atmosphere without any further concerns. The solution is directly integrated into the production line. There is no need to move waste or deal with waste management.
